PRODUCTS
ABOUT
COMPANY
Contact
News
Videos
Gallery
Gear Calc App
Spline Calc App
Home
Sprockets
31.75 (1 1/4") Pitch Sprockets
SCS31.75 : Bossed Simplex Sprockets
SCS31.75-19
SCS31.75-19
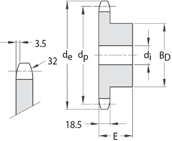
Bossed C43 UNI 7847 Carbon Steel Simplex Sprockets, 1 1/4" (31.75mm) Pitch (ISO 20B-1), 3/4" (19.05mm) Roller Diameter
Product specifications
Material
C43 UNI 7847 Carbon Steel
ISO No.
20B-1
Pitch/Lead
31.75
No. of Teeth [z]
19
Tip Diameter [de]
207.9
Ref. Diameter [dp]
192.91
Hub Diameter [BD]
120
Bore Diameter [di]
25
Sprocket Width [E]
50
Mass kg
6.40
Specifications
Overview
Product specifications
Material
C43 UNI 7847 Carbon Steel
ISO No.
20B-1
Pitch/Lead
31.75
No. of Teeth [z]
19
Tip Diameter [de]
207.9
Ref. Diameter [dp]
192.91
Hub Diameter [BD]
120
Bore Diameter [di]
25
Sprocket Width [E]
50
Mass kg
6.40
Information
Quality Certificate - AS9100D (EN9100:2018, JISQ9100:2016, KS Q 9100:2018), ISO9001:2015
On-Line Gear Calculator
Terms and Conditions
Cookie Policy
Privacy Policy (GDPR)
Contact
Ondrives Ltd, Foxwood Ind. Park, Chesterfield, Derbyshire, S41 9RN, UK
sales@ondrives.com
UK 01246 455500
International Dialling +44 1246 455500
By using our website, you agree to our use of cookies. See in our Footer for all Links to Cookie - Privacy GDPR Policies if using ondrives.com site.
OK
.